Deutsch
 Anbieter einloggen
Home
Newsletter
Registrieren Sie sich für unseren monatlichen Newsletter.
Ihre Adresse wird nicht an Dritte weitergegeben.
Zu unseren Datenschutz-Bestimmungen.

       

Fachbeitrag
08.11.2018  |  7286x
Diesen Beitrag teilen

Grüner Granulieren und Veredeln

Wirkungsvolle Konzeption von Wirbelschichtanlagen. Ein effizienterer Energieeinsatz rechnet sich nicht nur beim betrieblichen Kostenmanagement, sondern zahlt sich auch bei der Wettbewerbsfähigkeit und dem Image aus.
Deutsche Energiepreise zählen zu den höchsten in Europa. Ein effizienterer Energieeinsatz rechnet sich nicht nur beim betrieblichen Kostenmanagement, sondern zahlt sich auch bei der Wettbewerbsfähigkeit und dem Image aus. Ob in Form von spektakulärer Architektur wie bei modernsten, energetisch autarken Firmenzentralen oder in silbergrauen Komponenten für Wirbelschichtanlagen – hinter erfolgreichen Konzepten steckt stets ein ganzheitlicher Ansatz.

Die energetische Optimierung von Anlagen ist im Prinzip einer der einfachsten Wege hin zu einer wirtschaftlicheren und „grüneren“ Produktion. Weil aber – unabhängig von der energetischen Konfiguration – in jedem Fall die Produktqualität die höchste Priorität hat, müssen Maßnahmen und Auswirkungen in einem ganzheitlichen Ansatz analysiert und bewertet werden.

Mit Fließbildern zum optimalen Prozess


Bei der Modellierung von Anlagen gehört die Fließschemasimulation zum Stand der Technik. Selbst bei komplexen Anlagen kann mit den Modellen abgeschätzt werden, wie sich geänderte Prozessparameter auswirken, können Optimierungsrechnungen durchgeführt und unterschiedliche Anlagenkonzepte miteinander verglichen werden. Obwohl die Simulationen Versuche ersetzen und Kosten sparen, müssen während der Entwicklungsphase noch einige experimentelle Untersuchungen an Labor- und Pilotanlagen durchgeführt werden, um die verfahrenstechnischen Randbedingungen für die konkrete Applikation festzulegen. Laboranalysen wie DVS, TGA, DSC und weitere helfen, den Parameterbereich für die Prozessführung abzugrenzen. Um kundenspezifisch optimierte Lösungen zu finden, werden Prozesssimulation, Versuchsbetrieb und Analytik kombiniert. Grundsätzlich ist die Optimierung einer kontinuierlichen Prozessführung einfacher berechenbar.

Nutzung von Prozessabwärme


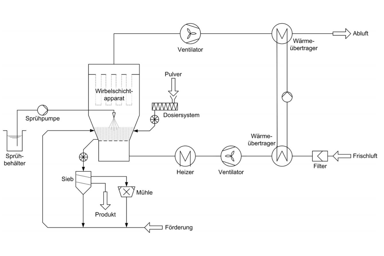
Zunehmend etabliert hat sich in den vergangenen Jahren die Nutzung der Prozessabwärme von Wirbelschichtanlagen, denn es ist eine günstige Möglichkeit, den Energiebedarf und damit die Betriebskosten zu reduzieren. Prozessabwärme kann für die Vorwärmung des Prozessgases oder in der Klima- und Lüftungstechnik genutzt werden oder um Medienströme zu beheizen. Verfügbar gemacht wird die Abwärme beispielsweise durch indirekte Luft-Flüssigkeits-Wärmeübertrager und einen zusätzlichen Wärmeträgerkreislauf (Abb. 2) oder mittels eines direkten Luft-Luft-Wärmeübertragers. Die in Frage kommende Variante ist abhängig von den Raumbedingungen, den sicherheitstechnischen Aspekten und dem Temperaturprofil innerhalb der Anlage. Ebenfalls eine Rolle spielen hierbei Gesichtspunkte wie Taupunktunterschreitung, Winterbetrieb, Wartung, Korrosion sowie Reinigbarkeit.

Kreislaufbetrieb mit Teilstromrückführung


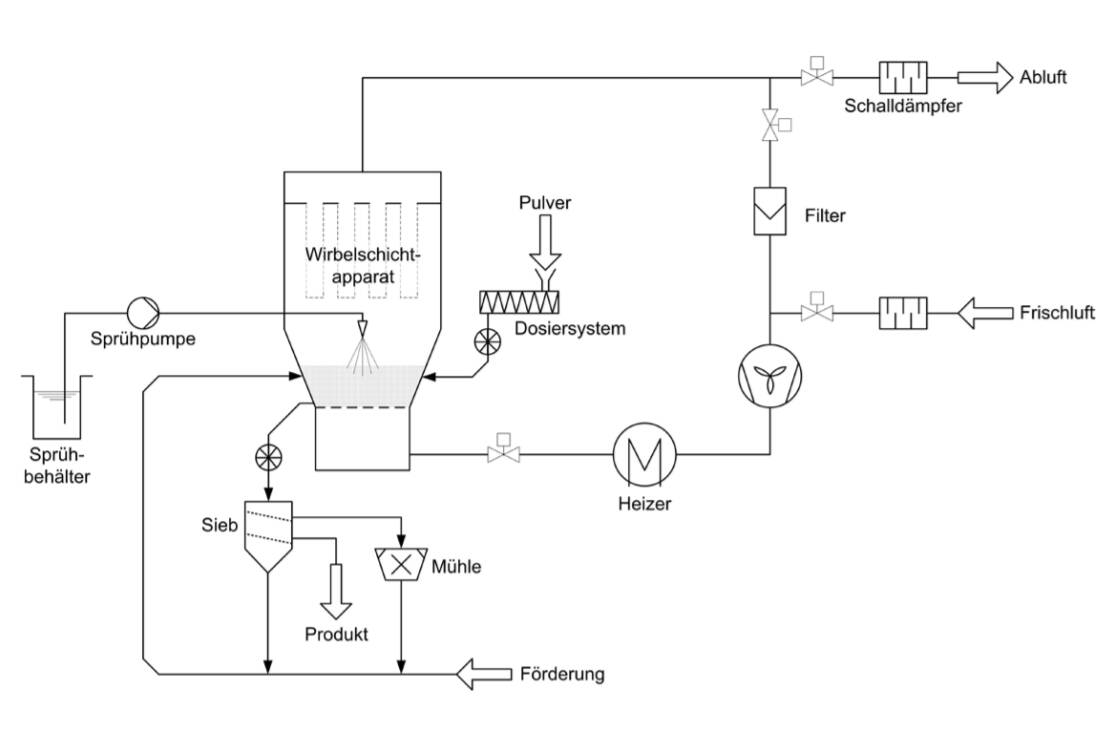
Für niedrigere Prozesskosten durch die Senkung der Heizleistung und für geringere Abgasmengen sorgt auch eine partielle Kreislaufführung des Prozessgases. Entscheidungsrelevant sind hierbei – neben den Prozessdaten – stoffliche Produkteigenschaften wie Sauerstoffempfindlichkeit oder Sorptionsverhalten, aber auch Sicherheitsfragen wie Explosions-Schutz oder Produktschutz.

Eine Studie, die sich am Referenzwert für Frischluftbetrieb orientiert, vergleicht verschiedene Luftmengenströme und die jeweils erforderliche Heizleistung. Ausgangswerte sind ein konstanter Prozessluftmassenstrom von 10.000 kg/h, eine Wasserverdampfungsleistung von 500 kg/h und eine Zieltemperatur von 75 °C in der Wirbelschicht. Die Zirkulationsmenge wird von den Materialeigenschaften des Produkts und den thermischen Bedingungen in der Anlage bestimmt. Im Ergebnis zeigt sich, dass eine Teilstromrückführung ohne Kondensation (Abb. 3) die Emissionswerte und den Heizenergiebedarf signifikant reduzieren kann. Im Versuch entspricht eine 50-prozentige Rückführung der Gesamtluftmenge einer Heizleistung von 86 Prozent im Vergleich zur Frischluftfahrweise. Werden 70 Prozent der Gesamtluftmenge rückgeführt, verringert sich die Heizleistung auf 79 Prozent des Referenzwerts.

Durch die geringeren Zu- und Abluftmengen kann zudem die entsprechende Ausrüstung kleiner und mit geringeren Investitions- und Betriebskosten gewählt werden, denn die Menge an zuzuführendem Inertgas oder Frischluft ist deutlich niedriger. Es ist zu prüfen, ob die höhere relative Luftfeuchte, die durch die Teilstromrückführung am Eintritt des Granulators verursacht wird, sich auf das Granulatwachstum oder die erreichbare Produktfeuchte auswirken.

Verwertung von Ventilatorenergie


Die einfachste energetische Maßnahme stellt die Nutzung von Ventilatorenergie dar. Kleinere Anlagen kommen mit einem Abgas-Ventilator zurecht. Großanlagen benötigen große Ventilatoren mit hoher Anschlussleistung. Technologisch und energetisch günstiger ist es hier, den insgesamt erforderlichen Drucksprung auf zwei Ventilatoren aufzuteilen, die Baugrößen zu limitieren und den Energieeintrag des druckseitigen Prozessgasventilators für den Prozess nutzbar zu machen (Abb. 4).

Quelle: Energie Effizienz, eine Sonderausgabe der Prozesstechnik, Fachwelt Verlag,

Firmeninformation

Glatt Ingenieurtechnik GmbH
Glatt Ingenieurtechnik GmbH
Glatt ist spezialisiert auf intelligentes Partikeldesign zur Erzeugung und Funktionalisierung von Pulvern und Granulaten mit definiert einstellbaren Eigenschaften. Im Fokus stehen Partikel und Pulver für Pigmente, katalytische, keramische oder Batteriewerkstoffe sowie Granulate und Pellets als Zusatzstoffe für z. B. industrielle Salze, Wasch- und Reinigungsmittel, Düngemittel, Pestizide, Nahrungs-, Nahrungsergänzungs- und Arzneimittel. Eine Verkapselung von Aromen, Enzymen, Vitaminen, Mikroorganismen, Probiotika oder Fettsäuren (PUFA) ist dabei ebenso möglich wie die von ätherischen Ölen und anderen aktiven, sensiblen Substanzen, die es zu schützen gilt. Mit Glatt APPtec®, einer einzigartigen Technologie zur Sprühkalzination, ist es möglich, Partikel in einem einzigen Prozessschritt im pulsierenden Heißgasstrom zu erzeugen, zu beschichten und anschließend zu kalzinieren. Als Pionier für Wirbelschicht- und Strahlschicht-Technologien beherrscht Glatt diese wichtige Verfahren zur Formulierung und Optimierung der Partikeleigenschaften durch definierte Sprühagglomeration, Sprühgranulation, Sprühbeschichtung (Coating) oder (Mikro-)Verkapselung sowie durch Kombinationen dieser Prozesse. Auch im Hochtemperatur-Bereich. Glatt unterstützt die Produktidee von der frühen Phase der Produktrezeptur über die Prozessentwicklung bis hin zum Scale-up in den Produktionsmaßstab. So werden unter der Leitung der Glatt Process & Plant Engineering Teams maßgeschneiderte Produktionsanlagen für Lebensmittel-, Futtermittel-, Feinchemie-, Pharma- und Biotech-Applikationen erfolgreich geplant und in Betrieb genommen. Weltweit. Ob auf Basis von Pulversynthese, Wirbelschicht- oder Strahlschichttechnologie, Glatt bietet ebenfalls die zertifizierte Lohnherstellung für Kunden ohne eigene Produktionskapazitäten.
Letztes Update: 28.10.2025

Zugeordnete Fachthemen

PORTALS
Schuettgut-Portal BulkSolids-Portal Recycling-Portal
Related
Bulkgids.nl
Erhalten Sie unseren Newsletter
Newsletter Archiv
Service und Kontakt
Impressum, KontaktDisclaimerDatenschutzerklärungWerbung
FOLLOW US
Linked