Deutsch
 Anbieter einloggen
Home
Newsletter
Registrieren Sie sich für unseren monatlichen Newsletter.
Ihre Adresse wird nicht an Dritte weitergegeben.
Zu unseren Datenschutz-Bestimmungen.

       

Produktbeschreibung
15.05.2023  |  3437x
Diesen Beitrag teilen
(Tracking)-Cookies von YouTube und Vimeo zulassen um Video anzusehen

Pulversynthese - Partikeldesign optimiert Batteriematerialien

Anoden- und Kathodenwerkstoffe sowie Feststoffelektrolyte in nur einem Schritt herstellen und veredeln.

Die Glatt Pulversynthese bietet ein vielseitiges Werkzeug für die Entwicklung und industrielle Fertigung innovativer Batteriewerkstoffe. Die hochflexible Technologie eröffnet die Möglichkeit, Anoden- und Kathodenwerkstoffe sowie Feststoffelektrolyte in nur einem Schritt herzustellen und zu veredeln. Der Schlüssel zur Wirksamkeit dieses Verfahrens sind die besonderen Bedingungen im pulsierenden Heißgasstrom.

Während die Akkukapazität von Computern und mobilen Endgeräten ein akzeptables Maß erreicht hat, besteht insbesondere bei der Elektromobilität noch Entwicklungsbedarf hinsichtlich Reichweite und Ladegeschwindigkeit. Die Suche nach Lösungen für diese Defizite ist aktuell der Innovationstreiber für neue Batteriewerkstoffe. Mit der Glatt Pulversynthese steht eine Technologie zur Verfügung, die bereits in der Produktion, Aktivierung und Beschichtung neuartiger Batteriewerkstoffe zum Einsatz kommt.

Bei der von Glatt Ingenieurtechnik, Weimar, entwickelten Technologie zur Erzeugung eines homogenen Pulvers wird aus den Ausgangsrohstoffen eine stöchiometrische Mischung erzeugt, getrocknet und wenn nötig kalziniert. Mit diesem Ansatz lassen sich auch geringe Mengen an Dotierungselementen homogen in den jeweiligen Batteriewerkstoff einbringen, um Leistungsmerkmale wie Kapazität und Ladeverhalten zu optimieren.

Die Haltbarkeit und damit die Performance der aktiven Batteriematerialien hängt unter anderem von Nebenreaktionen mit dem Elektrolyten ab. Dies ist wiederum abhängig vom angewendeten Spannungsfenster. Mit dem Wunsch nach höheren Energiedichten wird ein Schutz der Partikeloberfläche von Anoden- oder Kathodenwerkstoffen erforderlich. Hierfür kann die Glatt Pulversynthese verwendet werden, um die Aktivmaterialien zu beschichten. Für Core-Shell-Partikel wird das Schichtmaterial in gelöster Form zusammen mit dem Kernmaterial in Form einer Suspension in einen pulsierenden Heißgasstrom eingesprüht, so dass das Coating-Material auf den Kern auftrocknet und gegebenenfalls kalziniert. Die Prozesstemperaturen können dabei von Raumtemperatur bis 1300 °C eingestellt werden. Dadurch ergeben sich nahezu unendliche Kombinationsmöglichkeiten zwischen Schicht- und Kernmaterial. Vier konkrete Einsatzszenarien zeigen die Möglichkeiten der Technologien von Glatt Ingenieurtechnik für moderne Batteriewerkstoffe.

Folgen sie dem Link und erfahren Sie mehr zu den Themen:

Kathodenmaterialien durch aerosolbasierende Prozessierung

... Die üblichen mehrstufigen Produktionsschritte können hier durch eine aerosolbasierende Prozessierung reduziert werden. Die Partikelgröße und die Morphologie können über die Anlagenparameter Temperatur, Schwingungsfrequenz und -amplitude gezielt beeinflusst werden....

Anodenmaterial aus Silizium-Kohlenstoff

... Die technische Herausforderung bei Silizium liegt in der während des Lade-/Entlade-Zyklus auftretenden Volumenänderung, die auf Dauer zum Bruch der Partikel, dem Kontaktverlust zum Stromableiter und zu einem fortlaufenden Abtrag der schützenden Grenzschicht zwischen Silizium und Elektrolyt führen kann. Silizium-Kohlenstoff-Verbundmaterialien können dieses Problem lösen: Das Kohlenstoffgerüst kompensiert die Volumenänderung des Siliziums und schützt es als elastische Schicht vor dem direkten Kontakt mit dem Elektrolyten....

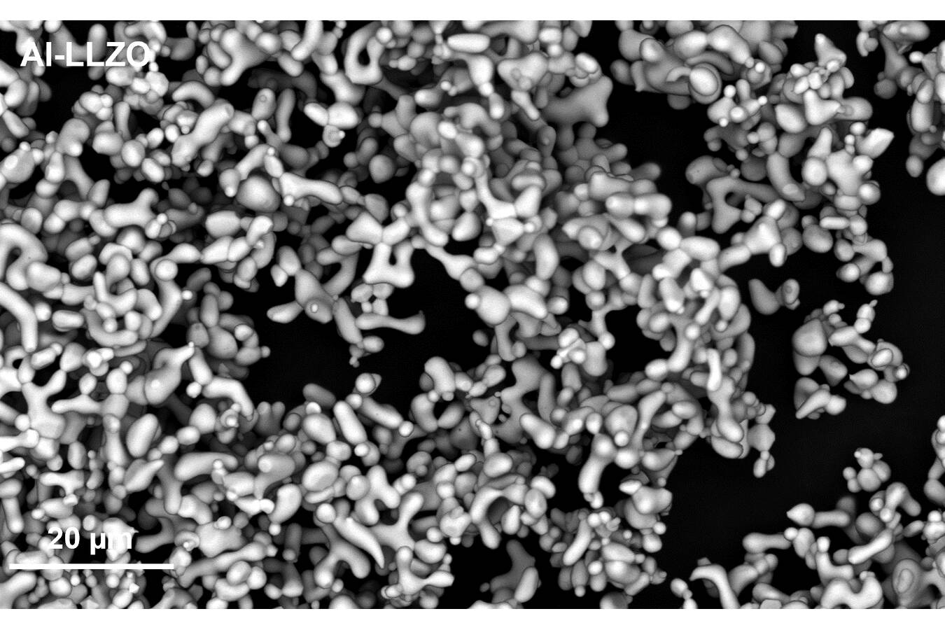
Neue Wege für oxidische Feststoffelektrolyte

...Die Pulversynthese findet dabei im Rahmen verschiedener Projekte für die Entwicklung von oxidischen Feststoffelektrolyten Anwendung, insbesondere von Lithium-Lanthan-Zirkon-Oxid (LLZO) und dotierten Varianten auf Basis kostengünstiger Rohstoffe. Die Einstellung von Partikelgröße, Schüttdichte und Morphologie erfolgt durch Anpassung verschiedener Parameter und die Weiterverarbeitung der Pulver zu keramischen Folien ist ebenfalls möglich....

Beschichtete Kathodenwerkstoffe für Langzeitstabilität

... Ein neuartiger Ansatz ist die Beschichtung der Kathodenwerkstoffe, um sie vor Herauslösung aktiver Elemente (z. B. Mangan) oder anderen unerwünschten Reaktionen bei Elektrolytkontakt zu schützen.....

Vom Pulver zum optimalen Rohstoff

... Verschiedene Prozesse auf Basis der Wirbelschichttechnologie erleichtern nachfolgende Prozessschritte. Sie verbessern Homogenität und Rieselfähigkeit der prozessierten Partikel, ...

Firmeninformation

Glatt Ingenieurtechnik GmbH
Glatt Ingenieurtechnik GmbH
Glatt ist spezialisiert auf intelligentes Partikeldesign zur Erzeugung und Funktionalisierung von Pulvern und Granulaten mit definiert einstellbaren Eigenschaften. Im Fokus stehen Partikel und Pulver für Pigmente, katalytische, keramische oder Batteriewerkstoffe sowie Granulate und Pellets als Zusatzstoffe für z. B. industrielle Salze, Wasch- und Reinigungsmittel, Düngemittel, Pestizide, Nahrungs-, Nahrungsergänzungs- und Arzneimittel. Eine Verkapselung von Aromen, Enzymen, Vitaminen, Mikroorganismen, Probiotika oder Fettsäuren (PUFA) ist dabei ebenso möglich wie die von ätherischen Ölen und anderen aktiven, sensiblen Substanzen, die es zu schützen gilt. Mit Glatt APPtec®, einer einzigartigen Technologie zur Sprühkalzination, ist es möglich, Partikel in einem einzigen Prozessschritt im pulsierenden Heißgasstrom zu erzeugen, zu beschichten und anschließend zu kalzinieren. Als Pionier für Wirbelschicht- und Strahlschicht-Technologien beherrscht Glatt diese wichtige Verfahren zur Formulierung und Optimierung der Partikeleigenschaften durch definierte Sprühagglomeration, Sprühgranulation, Sprühbeschichtung (Coating) oder (Mikro-)Verkapselung sowie durch Kombinationen dieser Prozesse. Auch im Hochtemperatur-Bereich. Glatt unterstützt die Produktidee von der frühen Phase der Produktrezeptur über die Prozessentwicklung bis hin zum Scale-up in den Produktionsmaßstab. So werden unter der Leitung der Glatt Process & Plant Engineering Teams maßgeschneiderte Produktionsanlagen für Lebensmittel-, Futtermittel-, Feinchemie-, Pharma- und Biotech-Applikationen erfolgreich geplant und in Betrieb genommen. Weltweit. Ob auf Basis von Pulversynthese, Wirbelschicht- oder Strahlschichttechnologie, Glatt bietet ebenfalls die zertifizierte Lohnherstellung für Kunden ohne eigene Produktionskapazitäten.
Letztes Update: 28.10.2025

Zugeordnete Fachbeiträge

Punktlandung mit Sonderanlagenbau Anlagenkonzepte müssen sich an den Kundenbedürfnissen orientieren, nicht umgekehrt.
Punktlandung mit Sonderanlagenbau
Anlagenkonzepte müssen sich an den Kundenbedürfnissen orientieren, nicht umgekehrt. "Anlagenkonzepte müssen sich an den Kundenbedürfnissen orientieren, nicht umgekehrt." ein Statement von Dr.-Ing. Viktor Drescher, Business Development and Product Manager Thermal Powder Synthesis, Glatt Ingenieurtechnik GmbH Der Anlagenbauer und Prozessexperte Glatt begleitet Anwender entlang der ganzen Wertschöpfungskette – von der ersten Idee über Machbarkeitsstudien und Prozessentwicklung bis zum Bau der Produktionsstätte. Neuartige Anlagenkonzepte sind dabei immer häufiger gefragt. Von einem weltweit agierenden Marktführer mit langjähriger Expertise und einem breiten Produktportfolio wird mitunter erwartet, dass sich existierende Konzepte mit wenigen Anpassungen in einem neuen Projekt einfach wiederholen oder duplizieren lassen. Doch diese Denkweise greift zu kurz: Die Märkte verändern sich stetig, vermeintliche Selbstverständlichkeiten müssen immer wieder auf den Prüfstand. Jedes Unternehmen ist anders aufgestellt. Der Schlüssel heißt Zuhören.
17.12.2021  |  5314x  |  Fachbeitrag  | 
Beschichtetes Zirkonoxid für die Medizintechnik Weiterentwickelte Pulversynthese zur Herstellung und Veredelung besonders hochwertiger nano- und mikroskaliger Pulver – z. B. für Dentalimplantate.
Beschichtetes Zirkonoxid für die Medizintechnik
Weiterentwickelte Pulversynthese zur Herstellung und Veredelung besonders hochwertiger nano- und mikroskaliger Pulver – z. B. für Dentalimplantate. Zusammensetzung und Homogenität der verwendeten Rohstoffe gewinnen in der Medizintechnik zunehmend an Bedeutung. Mit einem weiterentwickelten Verfahren zur Pulversynthese lassen sich besonders hochwertige nano- und mikroskalige Pulver herstellen oder veredeln – zum Beispiel für Dentalimplantate. Um die Eigenschaften von Zirkonoxidpulvern, die auch in weiteren medizinischen und technischen Produkten Anwendung finden, noch spezifischer einzustellen, können die Partikel zum Bespiel beschichtet werden. Dafür eignet sich die Glatt Pulversynthese, eine Weiterentwicklung des Sprühkalzinationsverfahrens. Am Firmensitz in Weimar betreibt der Anlagenbauer Glatt Ingenieurtechnik unterschiedliche Synthesereaktoren und entwickelt Prozesse für hochkomplexe Pulversysteme. Das Verfahren ermöglicht die gezielte Einstellung von chemischen wie auch mineralogischen Zusammensetzungen von Stoffsystemen. Biokompatible Implantate aus Keramik stehen vor allem bei Patienten, aber
28.10.2021  |  5697x  |  Fachbeitrag  |   | 
Trocknung und Produktgestaltung in der Vakuumwirbelschicht Trocken, haltbar, druckfest: Schonende und sichere Prozesse
zur Verarbeitung lösungsmittelhaltiger Extrakte und temperaturempfindlicher Substanzen
Trocknung und Produktgestaltung in der Vakuumwirbelschicht
Trocken, haltbar, druckfest: Schonende und sichere Prozesse zur Verarbeitung lösungsmittelhaltiger Extrakte und temperaturempfindlicher Substanzen Die Verarbeitung lösungsmittelhaltiger Extrakte und temperaturempfindlicher Substanzen wie Mikroorganismen oder Enzyme stellt hohe Anforderungen an Prozessbedingungen, Arbeitsschutz und Anlagensicherheit. Die Vakuumwirbelschicht-Technologie des Anlagenbauers Glatt ist eine weitere Möglichkeit, durch das Absenken des Siedepunktes bei reduzierten Systemdrücken noch temperaturschonendere Prozesse zu realisieren. Davon profitieren Lebendzellen, Produkte mit organischen Lösungsmitteln, aber auch Agglomerate mit hoher Festigkeit. Wässrige Prozesse und ihre Grenzen Die Wirbelschichttechnologie zeichnet sich durch einen exzellenten Wärme- und Stoffaustausch aus. Jedes einzelne Produktteilchen wird vom Prozessgas in die Schwebe gebracht, um eine perfekte Durchmischung und eine homogene Temperaturverteilung zu erzielen. Diese bekannten Vorteile der Konvektionstrocknung gegenüber Kontakttrocknern werden für temperaturempfindliche Produkte wie Hefen, Enzyme und andere
06.05.2025  |  14820x  |  Fachbeitrag  |   | 
Grüner Granulieren und Veredeln Wirkungsvolle Konzeption von Wirbelschichtanlagen. Ein effizienterer Energieeinsatz rechnet sich nicht nur beim betrieblichen Kostenmanagement, sondern zahlt sich auch bei der Wettbewerbsfähigkeit und dem Image aus.
Grüner Granulieren und Veredeln
Wirkungsvolle Konzeption von Wirbelschichtanlagen. Ein effizienterer Energieeinsatz rechnet sich nicht nur beim betrieblichen Kostenmanagement, sondern zahlt sich auch bei der Wettbewerbsfähigkeit und dem Image aus. Deutsche Energiepreise zählen zu den höchsten in Europa. Ein effizienterer Energieeinsatz rechnet sich nicht nur beim betrieblichen Kostenmanagement, sondern zahlt sich auch bei der Wettbewerbsfähigkeit und dem Image aus. Ob in Form von spektakulärer Architektur wie bei modernsten, energetisch autarken Firmenzentralen oder in silbergrauen Komponenten für Wirbelschichtanlagen – hinter erfolgreichen Konzepten steckt stets ein ganzheitlicher Ansatz. Die energetische Optimierung von Anlagen ist im Prinzip einer der einfachsten Wege hin zu einer wirtschaftlicheren und „grüneren“ Produktion. Weil aber – unabhängig von der energetischen Konfiguration – in jedem Fall die Produktqualität die höchste Priorität hat, müssen Maßnahmen und Auswirkungen in einem ganzheitlichen Ansatz analysiert und bewertet werden. Mit Fließbildern zum optimalen Prozess Bei der Modellierung von Anlagen gehört die Fließschemasimulation zum Stand der Technik. Selbst
08.11.2018  |  7286x  |  Fachbeitrag  | 
Hochleistungspulver am Puls der Zeit  Materialien der Zukunft bedingen immer spezifischere Eigenschaftsprofile. Die Glatt Pulversynthese setzt Maßstäbe bei der Herstellung neuer Pulverwerkstoffe für Hochleistungskeramiken, Batteriewerkstoffe, Katalysatoren oder Spezialpigmente.
Hochleistungspulver am Puls der Zeit
Materialien der Zukunft bedingen immer spezifischere Eigenschaftsprofile. Die Glatt Pulversynthese setzt Maßstäbe bei der Herstellung neuer Pulverwerkstoffe für Hochleistungskeramiken, Batteriewerkstoffe, Katalysatoren oder Spezialpigmente. Materialien der Zukunft bedingen immer spezifischere Eigenschaftsprofile. Die Glatt Pulversynthese setzt Maßstäbe bei der Herstellung neuer Pulverwerkstoffe für Hochleistungskeramiken, Batteriewerkstoffe, Katalysatoren oder Spezialpigmente Weltweit steigen in nahezu allen Branchen die Anforderungen an die Funktionalität und Lebensdauer von Produkten. Die benötigten Hochleistungsmaterialien stellen die Material und Werkstoffentwickler und damit auch die Pulverhersteller vor neue Herausforderungen. Mit einer Weiterentwicklung der Pulversynthese hat der Anlagenbauer und Prozessexperte Glatt ein Verfahren etabliert, das das Design von Primärpartikeln auf ein neues Level hebt: Die wegweisende Technologie der Sprühtrocknung und Sprühkalzination im pulsierenden Gasstrom ermöglicht das zielgenaue Design ganz neuer Pulvertypen im Nano- und Mikrometerbereich mit exakt eingestellten Eigenschaften. Materialien können hinsichtlich Handling, Funktionalität und Komplexität
08.01.2020  |  6431x  |  Fachbeitrag  |   | 
Zukunftsweisendes Verfahren für die Partikelsynthese Mit der Glatt-Pulversynthese können Pulver hinsichtlich ihrer chemischen und mineralogischen Zusammensetzung nahezu frei eingestellt und mit bislang unerreichten Eigenschaften ausgestattet werden.
Zukunftsweisendes Verfahren für die Partikelsynthese
Mit der Glatt-Pulversynthese können Pulver hinsichtlich ihrer chemischen und mineralogischen Zusammensetzung nahezu frei eingestellt und mit bislang unerreichten Eigenschaften ausgestattet werden. Pulvermaterialien, beispielsweise für die Verwendung in hochenergetischen und sicheren Batteriekomponenten, für wirtschaftlichere Membranen, orthopädische Keramiken, funktionale Additive oder Hochleistungspigmente, müssen zukünftig mehr bieten als die heute verfügbaren Pulver. Ein Weg in diese Richtung ist, dass die Primärpartikel selbst noch leistungsfähiger werden. Völlig neue Produkte oder Innovationen erfordern daher Pulvermaterialien, die zunächst anforderungsspezifisch entwickelt und dann in den erforderlichen Mengen hergestellt werden müssen. Mit der Pulversynthese im pulsierenden Gasstrom ist es dem Anlagenbauer Glatt gelungen, diese Herausforderungen zu meistern und eine ausgereifte Prozesstechnologie zu etablieren, um Zukunftsmaterialien sowohl im Labormaßstab für Forschungszwecke als auch im industriellen Maßstab herzustellen. Zeitaufwendige und risikoreiche Scale-Up-Verfahren entfallen durch die maßstabsunabhängigen Prozessbedingungen
22.04.2020  |  7089x  |  Fachbeitrag  |   | 
Wie Zukunftsmaterialien Realität werden Zukunftsmaterialien werde mit Wirbelschichttechnologien und der Glatt Pulversynthese Realität.
Wie Zukunftsmaterialien Realität werden
Zukunftsmaterialien werde mit Wirbelschichttechnologien und der Glatt Pulversynthese Realität. Batteriewerkstoff e, 3D-Druck, Phosphordünger, Lebensmittel: Der Anlagenbauer und Prozessexperte Glatt Ingenieurtechnik ist dank seiner technologie- und prozessorientierten Innovationskompetenz gefragter Entwicklungspartner in vielen Industriezweigen und im Forschungssektor. Das Technologiezentrum in der Weimarer Zentrale ist der Hub für das Partikeldesign von Zukunftsmaterialien. Aus FuE-Ideen werden hier etwa Produktmuster mit flammenhemmenden Eigenschaften produziert und marktreife Getränkepulver entwickelt; man tüftelt an der Formulierung für Düngergranulate mit definierter Freisetzung sowie an Carbon-Pellets. Bereits seit den 1960er Jahren sind Wirbelschichttechnologien in der Pharma-, Lebens- und Futtermittelindustrie sowie in der Feinchemie etabliert. Mit Hilfe kontinuierlicher Wirbelschicht- und Strahlschichtverfahren können auch temperatur- und sauerstoffsensitive Substanzen unter inerten Bedingungen behandelt und in ihren Eigenschaftsprofilen optimiert
07.05.2020  |  7105x  |  Fachbeitrag  |   | 
Vorausschauende Anlagenplanung Wie sich mit Pre-Engineering Ideen schneller zur Marktreife bringen lassen
Vorausschauende Anlagenplanung
Wie sich mit Pre-Engineering Ideen schneller zur Marktreife bringen lassen Um im Wettrennen um den Markterfolg neuer Produkte die Nase vorn zu haben, ist die Konzeptphase entscheidend. Der Anlagenbauer Glatt stellt durch Pre-Engineering Investitionsentscheidungen auf ein sicheres Fundament und ermöglicht, Teilprojekte vorzuziehen. Die Vorbereitung von Investitionsentscheidungen treibt F&E-Experten, Produktentwicklern und Gründern Schweißperlen auf die Stirn. Ihnen fehlt der Überblick über den Projektumfang und die Details. Sie sollen diffuse Risiken um zukünftige Betriebsabläufe einschätzen und die Wirtschaftlichkeit möglicher Alternativen vergleichen. Realistische Daten und Fakten zusammenzutragen, übersteigt dabei meist die Kapazitäten und mitunter auch das Know-how der mit der Vorbereitung beauftragten Mitarbeiter. Doch zu vage Annahmen und Schätzungen führen dazu, dass manche Weiche falsch gestellt und Potenziale nicht gehoben werden. Die Schlagzeilen ausufernder Projekte belegen eindringlich, wie kostspielig und imageschädigend
15.10.2020  |  7394x  |  Fachbeitrag  | 
Outside-In-Prozess vom Anlagenbauer Von der Idee bis zur Marktreife: Zukunft wird im Team gemacht
Outside-In-Prozess vom Anlagenbauer
Von der Idee bis zur Marktreife: Zukunft wird im Team gemacht Seit Jahrzehnten gelten Wirbelschichtapparate als die Königsklasse zur Herstellung von staubfreien, löslichen oder funktionalen Granulaten und Pellets. Warum Glatt Ingenieurtechnik Produktideen technologieoffen angeht und wie das den Innovationsprozess der Kunden voranbringt. An das Wunschprodukt heranzukommen ist manchmal so kompliziert wie Goldschürfen: Man muss tüchtig sieben, um ein paar wertvolle Körnchen zu gewinnen. Doch erst die nachfolgenden Veredelungsprozesse verwandeln den Rohstoff in eine Wertanlage. Gleiches gilt für viele Aktivstoffe: Synthetisiert, fermentiert oder extrahiert müssen sie meist erst aus der Flüssigphase in eine partikuläre Form gebracht werden, um dann gezielt und kontrolliert ihre Wirkung entfalten zu können. Die gezielte Freisetzung von Wirkstoffen, State of the Art in der Pharmaindustrie, wo Glatt Marktführer im Life-Science-Anlagenbau für die Veredelung und Verarbeitung von Pulvern ist, hat längst auch andere Industriezweige
07.10.2020  |  7981x  |  Fachbeitrag  | 

Mehr Beiträge

Glatt Partikeldesign für Additive und Füllstoffe auf der ECS 2023 Glatt stellt Herstellungstechnologien und neuartige Pulverwerkstoffe für Farben, Lacke und Bauchemikalien in den Mittelpunkt
Glatt Partikeldesign für Additive und Füllstoffe auf der ECS 2023
Glatt stellt Herstellungstechnologien und neuartige Pulverwerkstoffe für Farben, Lacke und Bauchemikalien in den Mittelpunkt Glatt präsentiert Prozesslösungen zum Partikeldesign für optimierte Additive und Füllstoffe auf der European Coatings Show 2023 28. – 30. März 2023 – Messe Nürnberg Sie finden die Glatt Experten am Stand 3-732 Die Produktanforderungen an Farben und Lacke sind vielseitig, die Eigenschaften kommerziell verfügbarer Füllstoffe oder Additive sind es oft nicht. Die Glatt Experten informieren daher vom 28. bis 30. März 2023 auf der ECS in Nürnberg darüber, wie diese Lücke mit optimierten Pulvern und Partikeln geschlossen werden kann. Als führendes Unternehmen für Pulversynthese, Wirbelschicht– und Strahlschichttechnologie gibt Glatt am Stand 3-732 Einblicke in erfolgreiche Kundenprojekte für Partikeldesign, Prozessplanung und Anlagenbau. Glatt präsentiert auf der ECS wie Partikeleigenschaften gezielt beeinflusst werden können, um die Funktionalität pulverförmiger Schüttgutkomponenten und Rezepturbestandteile für Farben, Lacke, Dispersionen
06.03.2023  |  4078x  |  Kurzbericht  |   | 
Glatt Partikeldesign von Nano bis Makro auf der SOLIDS 2023 Stand H 04-5 mit allen Themen von der Produktidee bis zur industriellen Herstellung und Optimierung von Schüttgütern und Ingredients.
Glatt Partikeldesign von Nano bis Makro auf der SOLIDS 2023
Stand H 04-5 mit allen Themen von der Produktidee bis zur industriellen Herstellung und Optimierung von Schüttgütern und Ingredients. Glatt präsentiert sein Portfolio für Partikeldesign auf der SOLIDS 2023 29. – 30. März 2023 – Messe Dortmund Treffen Sie unsere Experten am Stand H04-5 Als eines der führenden Unternehmen für Wirbelschichtprozesse und Pulversynthese mit eigenem Technologiezentrum in Weimar präsentiert Glatt integrierte Konzepte im Zusammenspiel von Partikeldesign, Prozess-Know-how und Anlagenbau. Die Glatt Experten informieren zu allen Themen von der Produktidee bis zur industriellen Herstellung von Produkten und Ingredients in allen schüttgutverarbeitenden Industrien. Um aus flüssigen oder festen Ausgangsstoffen Partikel mit anwendungsoptimierten Eigenschaften zu formen, sind integrierte Lösungen gefragt, wie sie Glatt durch Einsatz der Wirbelschicht- und Strahlschichttechnologie sowie der Glatt Pulversynthese schafft. Gezielte Kombinationen aus Formgebung und thermischer Behandlung ermöglichen sowohl homogene und beschichtete Nano- und Mikropulver als auch staubfreie,
28.02.2023  |  4570x  |  Kurzbericht  |   | 
Kundenspezifisches Produktdesign von Batteriematerialien  Kathoden- und Anodenwerkstoffe sowie oxydische Feststoffelektrolyte für mehr Kapazität und Stabilität durch Glatt Pulversynthese und Wirbelschichttechnologie
Kundenspezifisches Produktdesign von Batteriematerialien
Kathoden- und Anodenwerkstoffe sowie oxydische Feststoffelektrolyte für mehr Kapazität und Stabilität durch Glatt Pulversynthese und Wirbelschichttechnologie Gestalten Sie die Energiewende mit Ihren innovativen Batteriewerkstoffen Mehr Kapazität und Stabilität durch Synthese von LMNO-Pulver, Silizium-Kohlenstoff-Verbundwerkstoffe als Anodenmaterial, beschichtete Kathodenwerkstoffe zum Schutz vor Elektrolyten, LLZO-Materialien für oxydische Feststoffelektrolyte u.a. Optimierung zu staubfreien, rieselfähigen, homogenen Granulaten. Partikelgrößen: Nano bis Makro. Entwickeln Sie mit der Glatt Pulversynthese kundenspezifische Anoden- und Kathodenwerkstoffe oder Feststoffelektrolyte Sie möchten mit neuen und innovativen Rohstoffen die Batterietechnik vorantreiben? Kommerzielle Rohstoffe erfüllen Ihre Erwartungen in Bezug auf Kapazität und Langzeitstabilität nicht? Oder haben Sie einen vielversprechenden Werkstoffansatz, der aber nur im Labormaßstab funktioniert? Die Glatt Pulversynthese ist ein vielseitiges Werkzeug für die Entwicklung und industrielle Fertigung von innovativen Batteriewerkstoffen. Die
02.02.2023  |  6593x  |  Produktbeschreibung  |   | 
Keramische Rohstoffe aus dem pulsierenden Heißgasstrom Die Beispiele Barium-Strontium-Kobalt-Eisen-Oxid (BSCF) sowie dotiertem und beschichtetem Zirkoniumdioxid zeigen die Potenziale der Technologie.
Keramische Rohstoffe aus dem pulsierenden Heißgasstrom
Die Beispiele Barium-Strontium-Kobalt-Eisen-Oxid (BSCF) sowie dotiertem und beschichtetem Zirkoniumdioxid zeigen die Potenziale der Technologie. Zusammenfassung Anhand der beiden Mustersubstanzen BSCF und dotiertem und beschichteten Zirconiumdioxid konnte gezeigt werden, dass es möglich ist, auch komplexe keramische Substanzen im Labor– bis hin zum Pilotmaßstab herzustellen. Die hierfür verwendete Technologie der Pulversynthese bietet über die Trocknung im pulsierenden Heißgasstrom hinaus durch Anpassung von Frequenz und Amplitude zusätzliche Möglichkeiten, um auf die Partikelgröße, -struktur und -morphologie Einfluss zu nehmen. Diese neue Flexibilität bei der Entwicklung keramischer Rohstoffe ermöglicht es, mit geringem Aufwand anwendungsspezifisch optimierte Materialien zu entwickeln und zu testen. Nach erfolgreicher Erprobung kann die Technologie entsprechend hochskaliert und die Losgrößen an den tatsächlichen Bedarf angepasst werden. Innovative Werkstoff- und Produktideen High-Tech-Keramiken kommen heute für unterschiedliche medizinische und technische Anwendungen und zum Einsatz.
05.01.2023  |  5020x  |  Kurzbericht  | 
Pre-Engineering sorgt für Planungssicherheit Keine teuren Überraschungen Clifford Schäfersküpper, Glatt Ingenieurtechnik, erläutert anhand von Praxisbeispielen, worauf es beim Pre-Engineering ankommt.
Pre-Engineering sorgt für Planungssicherheit
Keine teuren Überraschungen Clifford Schäfersküpper, Glatt Ingenieurtechnik, erläutert anhand von Praxisbeispielen, worauf es beim Pre-Engineering ankommt. „Erfolgreiches Pre-Engineering ist die gedankliche Vorwegnahme aller Projekt-Eventualitäten – und zwar bevor Investitionsentscheidungen getroffen werden.“ Immer wieder laufen Bauprojekte aus dem Ruder und werden deutlich teurer als geplant. Doch wie gewinnen Auftraggeber mehr Planungssicherheit? Zu den wichtigsten Faktoren zählt ein detailliertes Pre-Engineering, wie es der Anlagenbauer und Prozessexperte Glatt anbietet. Clifford Schäfersküpper, Head Project Execution Process Technology Food, Feed & Fine Chemicals bei Glatt Ingenieurtechnik, erläutert anhand von Praxisbeispielen, worauf es beim Pre-Engineering ankommt. Pre-Engineering ist ursprünglich im Pharmabereich beheimatet, aber auch in der Food- oder Feed-Industrie steigt die Nachfrage. Klar ist, die Pharma-Akteure stehen unter immer höherem Wettbewerbsdruck. Es gilt, strenge Regeln zu befolgen und in hochkomplexen Prozessen mit häufigen Produktwechseln zu arbeiten. Lesen Sie den vollständigen
15.11.2022  |  7275x  |  Kurzbericht  | 

Zugeordnete Fachthemen

PORTALS
Schuettgut-Portal BulkSolids-Portal Recycling-Portal
Related
Bulkgids.nl
Erhalten Sie unseren Newsletter
Newsletter Archiv
Service und Kontakt
Impressum, KontaktDisclaimerDatenschutzerklärungWerbung
FOLLOW US
Linked